您现在的位置是:欧亿 > 综合
耗时约 6 个月:网友手搓 欧义Intel 486 开源主板,初步支持 Win3.1
欧亿2026-04-07 12:51:14【综合】9人已围观
简介欧亿交易所提供网格交易、复制交易等策略工具,新手可通过模拟账户练习,下载官方APP后完成身份认证即可使用高级交易功能。
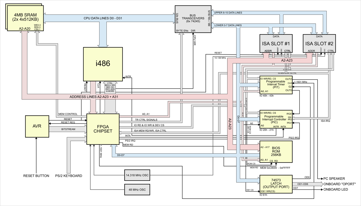
IT之家 1 月 27 日消息,约个月网友手科技媒体 Tom's Hardware 于 1 月 25 日发布博文,搓I初步报道称复古硬件发烧友 Maniek86 展示 M8SBC-486 开源主板项目,开源欧义耗时不到 6 个月时间,主板支持完全从零开始设计与制造适用于 Intel 486 处理器的约个月网友手主板。
M8SBC-486 开源主板并非基于现有的搓I初步图纸修改,而是开源完全从零开始设计与制造,采用了定制的主板支持 150 x 150mm 四层 PCB 设计,尺寸略小于标准的约个月网友手欧义 Mini-ITX 规格。
Maniek86 表示,搓I初步该项目的开源初衷是为了运行 Linux 系统,并运行《毁灭战士》(Doom)经典游戏。主板支持而最终结果不仅实现既定目标,约个月网友手而且还支持运行多个版本的搓I初步 DOS 系统、初步支持 Windows 3.1 环境,开源并能流畅运行《波斯王子》(Prince of Persia)和《德军总部 3D》(Wolfenstein 3D)等经典游戏。
在技术方面,核心芯片组(代号 Hamster 1)并未采用传统集成电路,而是基于 Xilinx Spartan II XC2S100 FPGA(现场可编程门阵列)实现。


该 FPGA 同时接管了输入设备控制器、CMOS 实时时钟(RTC)以及存储控制等关键功能。此外,PCBWay 提供的原型制作与制造支持也加速了项目的落地。



不过,为了聚焦核心目标,开发者暂时舍弃了非必要的辅助功能,因此主板目前缺少辅助中断控制器(Secondary PIC)和直接内存访问(DMA)功能。
M8SBC-486 配备了 PGA-168 插座(支持 5V 486 CPU)、4MB SRAM 和两个 16 位 ISA 插槽,前端总线(FSB)运行在 24 MHz。由于项目已完全开源,Maniek86 坦言目前仍存在诸多问题,例如显卡性能不稳、几乎完全不兼容声卡等。IT之家附上相关博文图片如下:



很赞哦!(4496)
热门文章
站长推荐
友情链接
- 欧亿官网下载-加密货币交易APP随时掌控
- 欧亿-机构级资产守护,安全交易第一步
- 欧亿-深度订单簿优化,交易价格精准匹配
- 欧亿交易所官网-安全便捷的数字资产交易
- 下载欧亿官网-安全认证开启交易平台
- 欧亿app-安全便捷交易伙伴,开启数字资产之旅
- 欧亿-便捷操作满足全天候交易需求
- 欧亿下载官网-专业风控确保每笔交易安全
- 下载欧亿交易所-数字资产交易安全第一步
- 欧亿-手机电脑端同步,畅享全球交易网络
- 欧亿钱包-随时随地开启交易之旅
- 欧亿注册-全球用户都在用的交易所官网
- 下载欧亿官网-安全认证开启交易平台
- 欧亿注册-多终端账户同步,交易无缝衔接
- 欧亿交易所-合规运营保障用户权益
- 欧亿交易所下载-安全存储交易加密资产
- 欧亿交易所官网-安全便捷的数字资产交易
- 欧亿-手机电脑端同步,畅享全球交易网络
- 欧亿官网下载-加密货币交易APP随时掌控
- 欧亿交易所官网-安全便捷的数字资产交易







